Fanuc弧伴侣机器人系列
Fanuc弧伴侣100年冰
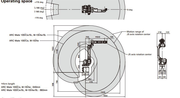
的Fanuc弧伴侣100年冰是一种先进的弧焊机器人和处理。专门用于简单电弧焊应用程序,发那科弧伴侣100年冰是高度可靠和准确的。这个发那科机器人有一个10公斤有效载荷和达到1420毫米。
robots-for-more-information
机器人的规格
- 轴:
- 6
- 有效载荷:
- 10公斤
- H-Reach:
- 1420毫米
- 可重复性:
- ±0.08毫米
- 机器人质量:
- 130公斤
- 结构:
- 清晰的表达
- 安装:
- 地板上,倒
机器人运动速度
- j - 1
- 210°/ s (3.67 rad / s)
- J2
- 190°/ s (3.32 rad / s)
- J3
- 210°/ s (3.67 rad / s)
- 阁下
- 400°/ s (6.98 rad / s)
- J5
- 400°/ s (6.98 rad / s)
- 卫星
- 600°/ s (10.47 rad / s)
机器人的运动范围
- j - 1
- + 340°- 360°
- J2
- °±250
- J3
- °±340
- 阁下
- °±380
- J5
- °±380
- 卫星
- °±720
应用程序
欢迎补充
-
发那科R-30iA控制器
查看项目 -
焊接方案
-
- 安全击剑1检修门
- 光幕或扫描仪
- 安全处理器
亚博平台登录网站Robotworx豪华安全包
-
- 触摸感应
- 焊缝跟踪
- 碰撞保护
- TorchMate II™
- Bumpbox
发那科ArcTool™软件选项