库卡基米-雷克南1000泰坦F
有效载荷
1000公斤
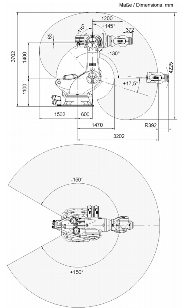
达到
3202毫米
轴
6
应用程序
装配机器人,机器负载的机器人,机器管理机器人,物料搬运机器人,指令拣选机器人,包装机器人堆垛机器人点焊机器人、焊接自动化机器人
请求报价
联系我们:
有效载荷
1000公斤
达到
3202毫米
轴
6
应用程序
装配机器人,机器负载的机器人,机器管理机器人,物料搬运机器人,指令拣选机器人,包装机器人堆垛机器人点焊机器人、焊接自动化机器人
当一个重型工作电话,库卡基米-雷克南1000年泰坦F将答案;高效、精确和准确,增加你的地板整体的生产力!它可以处理各种大型重物,如混凝土部分,船舶或飞机零部件和/或大理石块。与一个3202年毫米,和1000年公斤有效载荷,这真的没有其他答案对您的应用程序的需求。的基米-雷克南1000年泰坦F是成对的基米-雷克南C4并准备提升你的重型需求,尽快!
有效载荷
1000公斤
达到
3202毫米
轴
6
可重复性
0.1毫米
质量
4700公斤
结构
清晰的表达
越来越多的
地板上
j - 1
58°/ s (1.01 rad / s)
J2
50°/ s (0.87 rad / s)
J3
50°/ s (0.87 rad / s)
阁下
60°/ s (1.05 rad / s)
J5
60°/ s (1.05 rad / s)
卫星
72°/ s (1.26 rad / s)
j - 1
°±150
J2
+ 17.5°- 130°
J3
+ 145°- 110°
阁下
°±350
J5
°±118
卫星
°±350
让我们谈谈!
不能找到你正在寻找什么?
叫专家+ 18777626881或写一个信息。






