库卡基米-雷克南210
有效载荷
210公斤
达到
2700毫米
轴
6
应用程序
装配机器人,玻璃纤维切割机器人,铸造机器人,机器负载的机器人,物料搬运机器人,指令拣选机器人,包装机器人点焊机器人
请求报价
联系我们:
有效载荷
210公斤
达到
2700毫米
轴
6
应用程序
装配机器人,玻璃纤维切割机器人,铸造机器人,机器负载的机器人,物料搬运机器人,指令拣选机器人,包装机器人点焊机器人
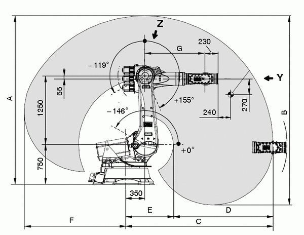
的库卡基米-雷克南210年工业机器人手臂是高负载严重的工业应用的解决方案。高负载210年公斤,大规模的2700年毫米,基米-雷克南210年基米-雷克南C2机器人是理想的铸造。事实上,一个铸造手腕知识产权67年保护是可用的基米-雷克南210年基米-雷克南C2而不是标准的知识产权65年的手腕。
有效载荷
210公斤
达到
2700毫米
轴
6
可重复性
0.12毫米
质量
1267公斤
结构
清晰的表达
越来越多的
地板上,倒
j - 1
86°/ s (1.5 rad / s)
J2
84°/ s (1.47 rad / s)
J3
84°/ s (1.47 rad / s)
阁下
100°/ s (1.75 rad / s)
J5
110°/ s (1.92 rad / s)
卫星
184°/ s (3.21 rad / s)
j - 1
°±185
J3
+ 155°- 119°
阁下
°±350
J5
°±125
卫星
°±350
让我们谈谈!
不能找到你正在寻找什么?
叫专家+ 18777626881或写一个信息。








