库卡基米-雷克南360
有效载荷
360公斤
达到
2826毫米
轴
6
应用程序
装配机器人,玻璃纤维切割机器人,铸造机器人,物料搬运机器人,指令拣选机器人,包装机器人点焊机器人、焊接自动化机器人
请求报价
联系我们:
有效载荷
360公斤
达到
2826毫米
轴
6
应用程序
装配机器人,玻璃纤维切割机器人,铸造机器人,物料搬运机器人,指令拣选机器人,包装机器人点焊机器人、焊接自动化机器人
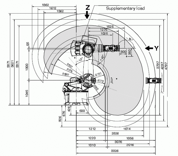
的库卡基米-雷克南360年是一个重型机器人有很多选择!这个库卡基米-雷克南360年基米-雷克南C2手臂有慷慨的有效载荷360年公斤,很长一段的2826年mm。基米-雷克南360年库卡机器人可以在地板或天花板安装,以便有效地利用现有的面积。
铸造的版本基米-雷克南360年基米-雷克南C2可挥发性的条件。这些变异是热量和耐水。库卡的基米-雷克南360年重型机器人是高度适应洁净室使用和其它环境条件。
有效载荷
360公斤
达到
2826毫米
轴
6
可重复性
0.15毫米
质量
2350公斤
结构
清晰的表达
越来越多的
地板上,倒
j - 1
89°/ s (1.55 rad / s)
J2
89°/ s (1.55 rad / s)
J3
93°/ s (1.62 rad / s)
阁下
109°/ s (1.9 rad / s)
J5
112°/ s (1.95 rad / s)
卫星
157°/ s (2.74 rad / s)
j - 1
°±185
J2
+ 110°- 40°
J3
+ 60°- 184°
阁下
°±350
J5
°±118
卫星
°±350
让我们谈谈!
不能找到你正在寻找什么?
叫专家+ 18777626881或写一个信息。








